

之前讲了新手如何学习变频器,给出了一些个人建议,并着重讲了什么是命令源,讲解了几种给定命令源的方法,我们就继续来讲解变频器的另一个重要得概念:频率源,同样的有的品牌会叫给定通道等等,其实说的都是一码事。之前只要给变频器一个运行命令,变频器其实就已经在运行了,但是如果不给其频率,如果此时变频器给定频率为0,就算变频器已经运行了,但是由于变频器输出频率为0电机是不会转的,因此我们一般情况下,命令源和频率源都是要同时给定的,命令源负责启动、频率源负责控制转速,这样才能用变频器控制电机进行调速。

0:数字给定1(面板正倒三角给定) 1:数字给定2(UP/DOWN 端子调整) 2:数字给定 3(通讯设定) 3:AI1 模拟给定(0~10V/20mA) 4:AI2 模拟给定(0~10V)5:脉冲给定(0~50KHZ) 6:简易PLC设定 7:多段速运行设定 8:PID 控制设定 9:面板电位器设定。
看到这里不要慌,种类虽然多但是实际上很多可以归为一类,并且并不是所有的都是常用的,对于新手来说还是那句话,先掌握常用的让变频器转起来再说,千万不要一上来就想搞懂所有的参数,要不然肯定学不会,这句话在上篇文章中已经强调过,在这里我再强调一遍。
我们先来将其归一下类,上述10种频率给定可以将其分为6类,分别如下:
第一类:面板给定,为上述0、1两种给定方式
第二类:通信给定,为上述2给定方式
第三类:模拟量给定,为上述3、4、9三种给定方式
第四类:多段速给定,为上述7给定方式
第五类:PID给定,为上述8给定方式
第六类:其它给定,为上述5、6两种给定方式。
先说明一下,就目前我使用的经验来看用的做多的是前三类,而四五类则是特定用途才会用到,第六类到目前为止我还没用过,所有的我都会讲一下,但是新手朋友着重要掌握第一类和第三类,这是用的最多的,其它的比如通信给定、PID给定可能需要一些额外的知识,才能掌握,刚入门时可以暂时放一放。
第一类面板给定,这种就比较简单了就是通过变频器面板上的按键去进行设定频率,只要将频率源参数改为0或者1,就可以分别通过变频器上的正反两个三角对变频器进行频率给定。
变频器面板第二类通信给定,将频率源设置为2之后,同上一节讲的命令源一样,先了解变频器支持的通讯协议,设置好通信参数,连接通信电缆,在通信建立连接后,就可以通过上位机比如触摸屏、PLC或者DCS等通过通讯发给变频器频率源对应的寄存器地址发送相应的数值就可以给定变频器的频率,有的是数值是百分比给定、有的是频率值给定,具体要参考变频器说明书。
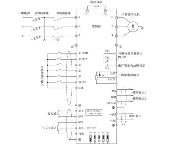
通讯控制报文第三类模拟量给定,将频率源参数设置为3、4、9其中一个就可以,这个是用的最多的,其本质就是建立起模拟量和频率范围的比例关系,比如我给定模拟量为0-10V对应变频器啊给定频率为0-50Hz,那么当我给定模拟量为5V时其输出频率就为25Hz,通常给定模拟量的方法有很多种,可以直接通过PLC或者其它能输出模拟量的控制器给定,当然也可以通过电位器和变频器本身的10V电源实现0-10V的给定,点位器本质就是个滑动变阻器,通过改变阻值改变分压值从而控制0-10V电压的变化,变频器面板上的调频旋钮其实就是个电位器,当然通过模拟量端子接线时要具体看说明书上的接线图,如果对于数字量和模拟量还不清楚可以看一下我这篇文章:
第四类多段速给定,其实就是通过控制变频器的几个DI端子,通过不同组合状态来实现以相应的设置好的频率运行,假如我定义好DI1和DI2端子为多段速控制端子,那么两个端子就会组合成四种状态,分别为00、01、10、11,在变频器啊中分别定义好四种状态对应的频率值,假设分别为10Hz、15Hz、25Hz、40Hz,那么当DI1为0,DI2为1时变频器就会输出频率为15Hz,其它组合同样道理,通过不断切换这两个输入点的状态就可以控制变频器对应的频率运行。
多段速控制第五类PID给定,是通过变频器通过PID计算结果来给定变频器的输出频率,最典型的就是恒压供水,通过水压模拟量反馈到变频器,变频器通过PID运算后不断调节变频器的输出频率,从而控制电机转速升高或者降低以达到保持压力的恒定。
第六类其它给定方式,这两种我都没用过看下说明书,脉冲给定就是通过接入变频器一路脉冲,通过控制脉冲的频率来控制变频器的转速,和伺服电机控制转速差不多,而简易PLC设定就是预先定义好相应的几个频率值和对应的加减速时间,让变频器按照设定好的程序运行,比如设定好先10Hz转5S,再20Hz转20S,循环执行3次后停止之类的简单控制逻辑就可以使用这种方法控制。
PID控制